update firmware via ethernet
Moderatori: ragno, tapino, alez, zulu, davidea
update firmware via ethernet
Salve a tutti, ho completato il mio streck per accendere e spegne l' access point wireless
esterno con arduino + scheda di rete, ora il mio crucio è che se le vado a montare
essendo in un posto un pò bastardo non lo posso più aggiornare...
Cosi ho pensato che sarebbe bello dotare il sistema con un la possibilità di update via rete
mi sono imbattuto in due progetti,
il primo (forse il più completo):
https://github.com/mharizanov/TFTPBootloader_0_2
il secondo:
https://github.com/thseiler/embedded/tr ... avr/2boots
che però fa partire la programmazione da SD, bisognerebbe che mi sviluppasi
la pagine web per l'upload del firmware(poco male me la faccio come voglio io) però entrambi
mi sembrano non funzionare con la mega2560 che ho io.
Qualcuno ha avuto qualche esperienza in merito?
o idee alternative?
esterno con arduino + scheda di rete, ora il mio crucio è che se le vado a montare
essendo in un posto un pò bastardo non lo posso più aggiornare...
Cosi ho pensato che sarebbe bello dotare il sistema con un la possibilità di update via rete
mi sono imbattuto in due progetti,
il primo (forse il più completo):
https://github.com/mharizanov/TFTPBootloader_0_2
il secondo:
https://github.com/thseiler/embedded/tr ... avr/2boots
che però fa partire la programmazione da SD, bisognerebbe che mi sviluppasi
la pagine web per l'upload del firmware(poco male me la faccio come voglio io) però entrambi
mi sembrano non funzionare con la mega2560 che ho io.
Qualcuno ha avuto qualche esperienza in merito?
o idee alternative?
Re: update firmware via ethernet
Dovessi scegliere propenderei per la prima soluzione. Se usi un mega256 hai abbastanza spazio per mettere le pagine nella memoria dell'avr. Senza preoccuparti di tenerle su SD soprattutto se e' difficilmente raggiungibile.
Da una prima occhiata, pero' il problema e' che il bootloader e' per l'atmega328 e non per il mega2560..
Certo per gestire da remoto l'accensione del router mi pare fin troppo esuberante.
Grazie dei link, la soluzione del bootloader che aggiorna il firmware di tftp mi mancava...
ciao
p.s. aggiungo che la seconda soluzione e' identica al bootloader della sd2iec che s'aggiorna da SD.
Da una prima occhiata, pero' il problema e' che il bootloader e' per l'atmega328 e non per il mega2560..
Certo per gestire da remoto l'accensione del router mi pare fin troppo esuberante.
Grazie dei link, la soluzione del bootloader che aggiorna il firmware di tftp mi mancava...
ciao
p.s. aggiungo che la seconda soluzione e' identica al bootloader della sd2iec che s'aggiorna da SD.
vdr: 1.4.7+extpatch54 (pensionata), 1.7.27 (yavdr 0.4)
Percorri la via che porta al sole,
e non camminare sui sentieri oscuri.
E quando penso che sia finita,
è proprio allora che comincia la salita.
Percorri la via che porta al sole,
e non camminare sui sentieri oscuri.
E quando penso che sia finita,
è proprio allora che comincia la salita.
Re: update firmware via ethernet
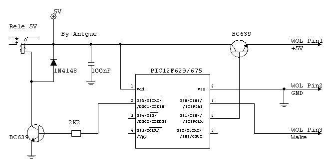
Probabilmente, senza ricorrere ad un Arduino (e soprattutto senza sprecare un Mega) per un lavoro così semplice, ti conviene attuare la soluzione inventata dall'amico Antgue:
usare una vecchia scheda di rete dotata di connettore wake on lan.
Praticamente puoi alimentare una scheda di rete anche senza collegarla al bus PCI, tramite connettore WOL hai 3 fili:
- +5
- GND
- Wake
In particolare il pin Wake cambia di stato quando arrivano via ethernet i pacchetti magic wol (praticamente di caratteri alternati al MAC address).
Antgue poi ha usato un PIC seriale molto semplice per fare durare l'impulso quanto vuole lui e per resettare la scheda ethernet.
Il post originale si trova si Pianeta-sat http://www.pianeta-sat.com/forum/f252/c ... 35555.html
ed è accessibile solo previa registrazione.
usare una vecchia scheda di rete dotata di connettore wake on lan.
Praticamente puoi alimentare una scheda di rete anche senza collegarla al bus PCI, tramite connettore WOL hai 3 fili:
- +5
- GND
- Wake
In particolare il pin Wake cambia di stato quando arrivano via ethernet i pacchetti magic wol (praticamente di caratteri alternati al MAC address).
Antgue poi ha usato un PIC seriale molto semplice per fare durare l'impulso quanto vuole lui e per resettare la scheda ethernet.
Il post originale si trova si Pianeta-sat http://www.pianeta-sat.com/forum/f252/c ... 35555.html
ed è accessibile solo previa registrazione.
- Allegati
-
- WOL_releF.jpg (21.75 KiB) Visto 9180 volte
Ciao alez
Re: update firmware via ethernet
Ah, grande Antgue nell'arte del riutilizzo.
Pero' un arduino 328 con lo shield ethernet e' molto piu' semplice.

Pero' un arduino 328 con lo shield ethernet e' molto piu' semplice.
vdr: 1.4.7+extpatch54 (pensionata), 1.7.27 (yavdr 0.4)
Percorri la via che porta al sole,
e non camminare sui sentieri oscuri.
E quando penso che sia finita,
è proprio allora che comincia la salita.
Percorri la via che porta al sole,
e non camminare sui sentieri oscuri.
E quando penso che sia finita,
è proprio allora che comincia la salita.
Re: update firmware via ethernet
si lo so che il 2560 è sprecato e che ci sono modi alternativi
però il 2560 che ho a disposizione ha qualche uscita sputtanata
da chi me lo ha regalato, e poi oltre a quella del wireless ci vorrei
far fare dell' altro, conteggio contatore, temperatura esterna etc
etc etc... (quindi non più cosi sprecato come si pensava)
però il 2560 che ho a disposizione ha qualche uscita sputtanata
da chi me lo ha regalato, e poi oltre a quella del wireless ci vorrei
far fare dell' altro, conteggio contatore, temperatura esterna etc
etc etc... (quindi non più cosi sprecato come si pensava)